- Zurück zu KolbendichtungenZurück zu Kolbendichtungen
- Hydraulik dichtungen
- Kolbendichtungen
- Kolbendichtung Hallite
Kolbendichtung Hallite ‑ 5002810
Abmessung:155 x 130 x 25,4 x 9,52

Kolbendichtung Hallite ‑ 5002810
Abmessung:155 x 130 x 25,4 x 9,52
Hallite 780
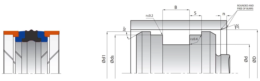
Die doppeltwirkende Dichtung Hallite 780 ist eine robuste Baugruppe, die speziell für einteilige Kolben entwickelt wurde. Sie verwendet ein Gummidichtelement, das sich in der Praxis als extrem verschleißfest erwiesen hat und in einer Vielzahl von Anwendungen mit mittlerer Beanspruchung äußerst effektiv arbeitet. Die Dichtung ist auch für zweiteilige Kolben geeignet. Die Baugruppe besteht aus einem Gummidichtelement, zwei Spießstützringen und zwei geteilten L-förmigen Lagern, von denen sich jeweils eines auf beiden Seiten der Dichtung befindet. Das Nitrilgummi-Dichtelement ist mit Mehrfachlippen für eine effiziente dynamische Abdichtung mit minimaler Niederdruckreibung ausgelegt und wird bei Druckbeaufschlagung durch die ausladenden Lippen des Stützrings vor Extrusionsschäden geschützt. Der Stützring wird aus einem zähen, flexiblen Polymer hergestellt und für die Montage mit einem Scherenschnitt versehen. Sowohl die L-förmigen Lager als auch die Stützringe sind gerillt, um sicherzustellen, dass der Flüssigkeitsdruck das Dichtungselement ordnungsgemäß beaufschlagt und die Möglichkeit eines Druckeinschlusses innerhalb der Dichtungseinheit verhindert wird.
Merkmale
Bewährte Konstruktion
Lange Lebensdauer
Ausgezeichnete Verschleißfestigkeit
Betriebsbedingungen
Maximale Geschwindigkeit: 0,5 m/sec
Temperaturbereich: -30°C +100°C
Maximaler Druck: 400 bar

Toleranzen:
D1 (H9)
d1 (h9)
d2 (h9)
d3 (h11)
L1 (+0,20-0)